柴油發電機的充電機工作原理
2025-09-18(83)次瀏覽
1、工作原理
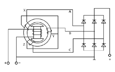
如圖A所示是交流發電機的工作原理圖。發電機的三相定子繞組按一定規律分布在發電機的定子槽中,彼此相差120°電角度,且匝數相等。三相繞組的首端分別接在整流器上,其末端連在一起,呈星形連接。
當轉子磁場繞組接通直流電時,產生了磁場,使轉子軸上的兩塊爪形磁極被磁化。當轉子旋轉時,形成旋轉磁場,磁力線被定子繞組切割。根據電磁感應原理,勢必在定子三相繞組中產生頻率相同、振幅相等、相位互差120°的正弦交流電動勢。每相繞組的電動勢的有效值E與轉子轉速n以及磁極磁通中成正比,即:E=Cen?
式中:E——每相繞組中電動勢的有效值(V);
C——電機結構常數;
n——轉子轉速(r/min);
?——每極磁通(Wb)

圖A 硅整流發電機工作原理
2、充電過程
當充電發電機被柴油發電機組的發動機帶動時,發電機跟隨旋轉,這時便有電壓和電流輸出,使蓄電池充電。柴油發電機組起動期間,充電機電壓小于蓄電池電壓時,整流二極管截止,充電機不能對外輸出,由蓄電池供給磁場電流。路徑為:蓄電池正極→點火開關SW→磁場繞組調節器→搭鐵→蓄電池負極。
說明:發電機的旋轉方向為順時針方向,皮帶輪對準自已。正極搭鐵。
3、搭鐵形式
① 內搭鐵型交流發電機
如圖B(a)所示,發電機磁場繞組的一端與發電機殼體連接的交流發電機。
② 外搭鐵型交流發電機
如圖B(b)所示,發電機磁場繞組的一端經點火開關接電源,另一端經調節器后搭鐵的交流發電機。

圖B 發電機搭鐵形式
溫馨提示:
以上信息摘自互聯網,若有侵犯版權,請隨時聯系我們刪除。
未經我方許可,請勿隨意轉載信息!
如果希望了解更多有關柴油發電機組技術數據與產品資料,請撥打熱線電話聯系我們:400 777 1996
最新資訊
-
柴油機飛車的主要原因及應急措施
柴油機飛車是指轉速失去控制,急劇增至大大超過額定轉速,并伴隨...
-
柴油發電機冷起動預熱裝置
衡量柴油發電機性能的重要標準之一就是設備起動良好性,它在嚴寒...
-
機油的作用及標號分類
機油大家應該都知道,但機油是作什么用的呢?機油的標號代表什么...
-
發電機逆功率保護的作用及原理
逆功率是指發電機的功率方向與正常運行時相反,也就是說發電機變...
400-777-1996
服務熱線:400-777-1996
聯系電話:139 2744 6292
公司傳真:0755-28452115
公司郵箱:252538960@qq.com
公司地址:深圳市龍華區觀瀾街道廣培社區裕新路120號302





400-777-1996